거버파일을 내리기 전에 회로도와 아트웍 파일을 작성해 준다.
나는 전에 그려놓은 파일로 거버파일을 내려보았다.
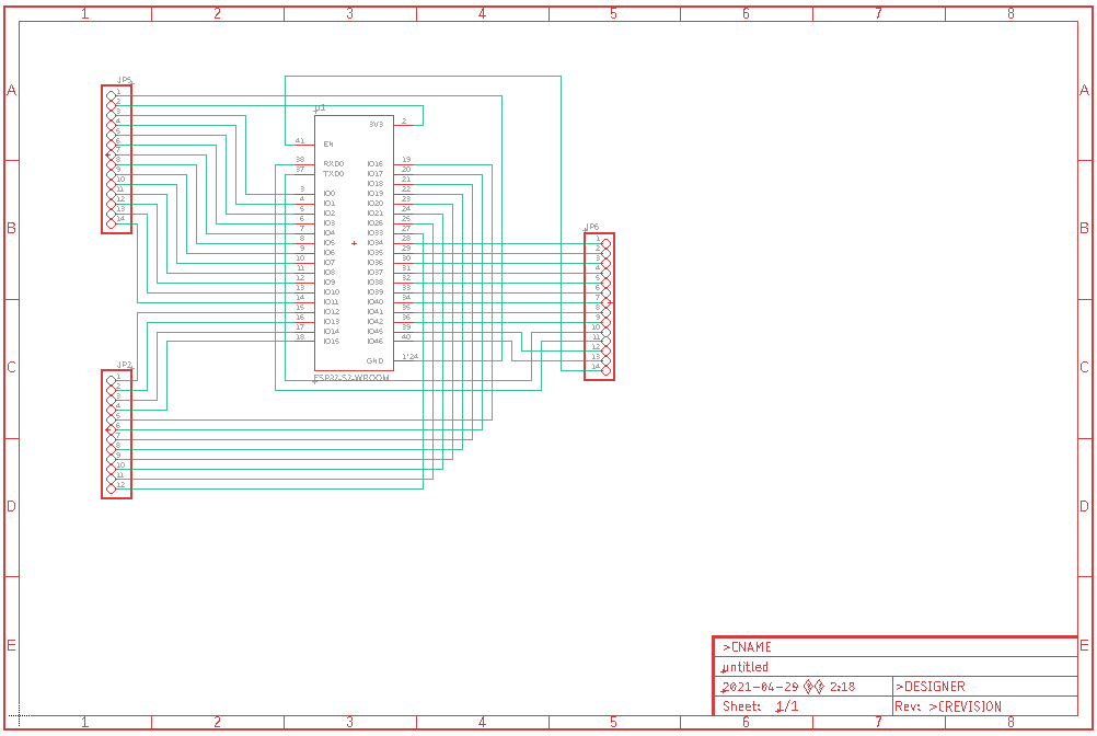
회로도

아트웍

첫번째로 아트웍 파일에서 에러가 없는지 확인해본다.

DRC를 선택해준다.

DRC 창이 뜨면 Check를 눌러준다.
에러가 없다면 에러창이 뜨지 않고, 에러가 있을때 아래와 같이 에러창이 뜬다.

여기서 에러를 하나하나 잡아주면 된다.
에러를 다 잡은 후에 거버파일을 내려보겠다.

좌측상단에 CAM processor을 클릭해준다.

위와 같이 선택을 해준 후 하단에 Process Job을 클릭해준다.

CAM 폴더를 만들어준후, 폴더 선택을해준다.

아래의 그림과 같이 선택을 해준 후 하단에 Process Job을 클릭해준다.

CAM 폴더 선택을해준다.

예를 클릭해준다


예를 선택한 후 CAM processor 창을 닫아준다.

다음으로 텍스트 창에 run drillcfg를 친후 엔터를 누른다.

OK 선택

OK선택

CAM 폴더안에 저장한다.
'이글캐드' 카테고리의 다른 글
| 이글캐드 거버파일 쉽게 받는법 (0) | 2021.06.07 |
|---|